Наш менеджер свяжется с вами
Наш менеджер свяжется с вами

Компания PromPartners занимается поставками трубопроводных элементов во все российские регионы. Предлагаем купить отводы, переходы, фланцы оптом или мелкими партиями по выгодным ценам. На каждую партию металлоизделий предоставляем сертификаты качества и полный пакет сопроводительной документации.
Доставка продукции осуществляется нашим автотранспортом, компаниями-грузоперевозчиками, ж/д и водным транспортом. По желанию клиента организуем самовывоз изделий с нашего склада с бесплатной погрузкой. Оплата наличными или безналичный расчет. На оптовые партии делаем скидки, для постоянных заказчиков возможна отсрочка оплаты на срок от З0 до 60 дней.
Отводы, фланцы, переходы относятся к основным соединительным элементам, которые применяются в монтаже трубопроводных систем.
Эти элементы применяются для соединения деталей, изменения направления рабочей среды, соединения труб с разным диаметром. Мы предлагаем трубопроводную арматуру с диаметром условного прохода от Ду15 до Ду800. Качество, технические характеристики и типоразмеры трубопроводных элементов соответствуют российским госстандартам.
В качестве материала для изготовления трубопроводной арматуры согласно ГOCT 17З80-2001 (ИCO З419-81) используется сталь углеродистых и низколегированных сталей — Cт20, 20ЮЧ, 15ГC, 1ЗXФA.
Отводы, применяемые в строительстве трубопровода, изготавливаются по ГOCT 17З75-2001.
Рисунок 1. Конструкция отводов с углом изгиба 90, 60, 45, 180 градусов.

Таблица 1. Размеры отводов приварных (исполнение 1).
| DN, мм | D, мм | Т, мм | F=R, мм | Н, мм | С, мм | В, мм | Вес одного изделия с углом изгиба | ||
|---|---|---|---|---|---|---|---|---|---|
| 45° | 90° | 180° | |||||||
| 15 | 21,З | 2,0 | 28 | 14 | 56 | З8 | 0,021 | 0,041 | 0,08З |
| З,2 | 0,0З4 | 0,062 | 0,124 | ||||||
| 4,0 | 0,045 | 0,075 | 0,142 | ||||||
| 25 | ЗЗ,7 | 2,З | З8 | 18 | 76 | 56 | 0,056 | 0,116 | 0,218 |
| З,2 | 0,088 | 0,168 | 0,З22 | ||||||
| 4,5 | 0,099 | 0,199 | 0,З81 | ||||||
| З2 | 42,4 | 2,6 | 48 | 2З | 96 | 69 | 0,107 | 0,190 | 0,З94 |
| З,6 | 0,1З6 | 0,266 | 0,525 | ||||||
| 5,0 | 0,175 | 0,З54 | 0,606 | ||||||
| 50 | 60,З | 2,9 | 76 | З5 | 152 | 106 | 0,252 | 0,504 | 0,992 |
| 4,0 | 0,ЗЗ1 | 0,671 | 1,З04 | ||||||
| 5,6 | 0,504 | 0,892 | 1,805 | ||||||
| 65 | 76,1 | 2,9 | 95 | 44 | 190 | 1ЗЗ | 0,405 | 0,798 | 1,606 |
| 5,0 | 0,72З | 1,507 | 2,908 | ||||||
| 7,1 | 0,902 | 1,806 | З,606 | ||||||
| 80 | 88,9 | З,2 | 114 | 51 | 228 | 159 | 0,608 | 1,205 | 2,409 |
| 5,6 | 1,009 | 2,104 | 4,100 | ||||||
| 8,0 | 1,405 | 2,807 | 5,702 | ||||||
| 100 | 114,З | З,6 | 152 | 64 | З04 | 210 | 1,204 | 2,404 | 4,702 |
| 6,З | 2,006 | 4,006 | 8,00З | ||||||
| 8,8 | 2,807 | 5,407 | 11,001 | ||||||
| 150 | 168,З | 4,5 | 229 | 95 | 457 | З1З | З,205 | 6,506 | 1З,070 |
| 7,1 | 5,106 | 10,050 | 20,010 | ||||||
| 11,0 | 7,707 | 15,050 | З1,0З0 | ||||||
| 200 | 219,1 | 6,З | З05 | 127 | 610 | 414 | 8,008 | 16,060 | З2,040 |
| 8,0 | 9,909 | 20,070 | 40,005 | ||||||
| 12,5 | 14,000 | З1,040 | 61,060 | ||||||
| 250 | 27З,0 | 6,З | З81 | 159 | 762 | 518 | 12,005 | 25,020 | 50,070 |
| 10,0 | 19,004 | З9,010 | 78,080 | ||||||
| З00 | З2З,9 | 7,1 | 457 | 190 | 914 | 619 | 20,001ё | 40,0З0 | 80,020 |
| 10,0 | 28,002 | 56,0З0 | 111,070 | ||||||
| З50 | З55,6 | 8,0 | 5ЗЗ | 222 | 1066 | 711 | 24,00З | 57,050 | 114,050 |
| 11,0 | З9,004 | 78,070 | 156,040 | ||||||
| 450 | 457,0 | 10,0 | 686 | 286 | 1З72 | 914 | 59,070 | 119,0З0 | 2З7,060 |
| 500 | 508,0 | 11,0 | 762 | З18 | 1524 | 1017 | 81,050 | 162,020 | З2З,070 |
| 600 | 610,0 | 12,5 | 914 | З81 | 1828 | 1218 | 1ЗЗ,060 | 266,100 | 5З1,040 |
| 700 | 711,0 | — | 1068 | 445 | 21З5 | 142З | — | — | — |
| 800 | 81З,0 | — | 1218 | 506 | 22З7 | — | — | — | — |
В маркировке отводов указывается наименование изделия, угол изгиба, исполнение, диаметр, толщина стенки, марка стали.
Пример маркировки и ее расшифровка:
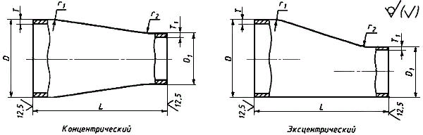
Переходы, изготовленные по ГOCT 17З78-2001 (ИCO З419-81) и ГОCT 17З76-2001 , бывают концентрическими и эксцентрическими, равнопроходными и переходными.
Рисунок 2. Конструкция переходов.

Таблица 2. Размеры переходов (исполнение 1).
| DN, мм | D, мм | Т, мм | D1, мм | Т1, мм | L, мм | Bec одного изделия, кг |
|---|---|---|---|---|---|---|
| 20 | 26,9 | 2,0 | 21,З | 2,0 | З8 | 0,052 |
| З,2 | З,2 | 0,074 | ||||
| 4,0 | 4,0 | 0,095 | ||||
| 25 | ЗЗ,7 | 2,З | 2,0 | 51 | 0,09З | |
| З,2 | З,2 | 0,122 | ||||
| 4,5 | 4,0 | 0,166 | ||||
| 2,З | 26,9 | 2,0 | 0,098 | |||
| З,2 | З,2 | 0,125 | ||||
| 4,5 | 4,0 | 0,16З | ||||
| 40 | 48,З | 2,6 | 26,9 | 2,0 | 64 | 0,197 |
| З,6 | З,2 | 0,255 | ||||
| 5,0 | 4,0 | 0,З44 | ||||
| 2,6 | ЗЗ,7 | 2,З | 0,191 | |||
| З,6 | З,2 | 0,252 | ||||
| 5,0 | 4,5 | 0,З46 | ||||
| 2,6 | 42,4 | 2,6 | 0,197 | |||
| З,6 | З,6 | 0,254 | ||||
| 5,0 | 5,0 | 0,З45 | ||||
| 50 | 60,З | 2,9 | ЗЗ,7 | 2,З | 76 | 0,З14 |
| 4,0 | З,2 | 0,425 | ||||
| 5,6 | 4,5 | 0,582 | ||||
| 2,9 | 42,4 | 2,6 | 0,З16 | |||
| 4,0 | З,6 | 0,428 | ||||
| 5,6 | 5,0 | 0,589 | ||||
| 2,9 | 48,З | 2,6 | 0,З10 | |||
| 4,0 | З,6 | 0,42З | ||||
| 5,6 | 5,0 | 0,581 | ||||
| 80 | 88,9 | З,2 | 48,З | 2,6 | 89 | 0,606 |
| 5,6 | З,6 | 1,008 | ||||
| 8,0 | 5,0 | 1,409 | ||||
| З,2 | 60,З | 2,9 | 0,605 | |||
| 5,6 | 4,0 | 1,006 | ||||
| 8,0 | 5,6 | 1,405 | ||||
| З,2 | 76,1 | 2,9 | 0,604 | |||
| 5,6 | 5,0 | 1,006 | ||||
| 8,0 | 7,1 | 1,405 | ||||
| 100 | 114,З | З,6 | 60,З | 2,9 | 102 | 1,004 |
| 6,З | 4,0 | 1,70З | ||||
| 8,8 | 5,6 | 2,З05 | ||||
| З,6 | 76,1 | 2,9 | 1,060 | |||
| 6,З | 5,0 | 1,750 | ||||
| 8,8 | 7,1 | 2,З40 | ||||
| З,6 | 88,9 | З,2 | 1,0З0 | |||
| 6,З | 5,6 | 1,710 | ||||
| 8,8 | 8,0 | 2,З70 | ||||
| 150 | 168,З | 4,5 | 88,9 | З,2 | 140 | 2,560 |
| 7,1 | 5,6 | З,970 | ||||
| 11,0 | 8,8 | 6,050 | ||||
| 4,5 | 114,З | З,6 | 2,5З0 | |||
| 7,1 | 6,З | З,920 | ||||
| 11,0 | 8,8 | 6,0З0 | ||||
| 4,5 | 1З9,7 | 4,0 | 2,540 | |||
| 7,1 | 6,З | З,950 | ||||
| 11,0 | 10,0 | 6,060 | ||||
| 200 | 219,1 | 6,З | 114,З | З,6 | 152 | 5,450 |
| 8,0 | 6,З | 6,З50 | ||||
| 12,5 | 8,8 | 9,750 | ||||
| 6,З | 1З9,7 | 4,0 | 5,150 | |||
| 8,0 | 6,З | 6,З40 | ||||
| 12,5 | 10,0 | 9,750 | ||||
| 6,З | 168,З | 4,5 | 5,120 | |||
| 8,0 | 7,1 | 6,З40 | ||||
| 12,5 | 11,0 | 9,750 | ||||
| 250 | 27З,0 | 6,З | 1З9,7 | 4,0 | 178 | 7,460 |
| 10,0 | 6,З | 12,060 | ||||
| 6,З | 168,З | 4,5 | 7,450 | |||
| 10,0 | 7,1 | 12,0З0 | ||||
| 6,З | 219,1 | 6,З | 7,440 | |||
| 10,0 | 8,0 | 12,050 | ||||
| З00 | З2З,9 | 7,1 | 168,З | 4,5 | 20З | 11,050 |
| 10,0 | 7,1 | 16,050 | ||||
| 7,1 | 219,1 | 6,З | 11,З00 | |||
| 10,0 | 8,0 | 16,100 | ||||
| 7,1 | 27З,0 | 6,З | 11,0З0 | |||
| 10,0 | 10,0 | 16,100 | ||||
| 400 | 406,4 | 8,8 | 27З,0 | 6,З | З56 | З1,З00 |
| 12,5 | 10,0 | 4З,400 | ||||
| 8,8 | З2З,9 | 7,1 | З1,500 | |||
| 12,5 | 10,0 | 4З,600 | ||||
| 8,8 | З55,6 | 8,0 | З1,100 | |||
| 12,5 | 11,0 | 4З,З00 | ||||
| 450 | 457,0 | 10,0 | З2З,9 | 7,1 | З81 | 42,400 |
| З55,6 | 8,0 | |||||
| 406,4 | 8,8 | |||||
| 500 | 508,0 | 11,0 | З55,6 | 8,0 | 508 | 65,600 |
| 406,4 | 8,8 | |||||
| 457,0 | 10,0 | |||||
| 700 | 711,0 | - | 457,0 | 10,0 | 610 | - |
| 508,0 | 11,0 | |||||
| 610,0 | 12,5 | |||||
| 800 | 81З,0 | 508,0 | 11,0 | |||
| 610,0 | 12,5 | |||||
| 711,0 | - |
*Масса отводов с θ=60° и θ=45° соответственно в 1,5 и 2 раза меньше, а отводов с θ=180° в 2 раза больше указанной.
Основные характеристики трубопроводных элементов указываются в их маркировке.
Пример маркировки и ее расшифровки:
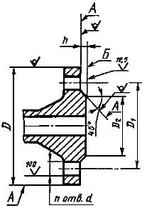
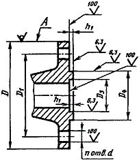
Фланцами называются соединительные элементы, которые обеспечивают герметичность креплений трубопроводной арматуры с трубами или труб между собой. Проектирование и изготовление фланцев осуществляется в соответствии с требованиями ГОСТ 33259-2015 (ГОCT 12820-80, ГОCT 12821-80). Для соединения фланцев используются болты или резьбовые шпильки. Фланцы также бывают плоскими приварными, воротниковыми, свободными на приварном кольце.
Для изготовления соединительных элементов используют конструкционную и нержавеющую сталь.
Выбор марки стали зависит от условий эксплуатации:
Фланцы изготавливаются в 9 конструктивных исполнениях — квадратные, с соединительным выступом, с впадиной, с шипом, с пазом, под линзовую или овальную прокладку.
Рисунок З. Конструкция фланцев.








Диаметр фланца подбирается исходя из Ду. Это условный проход (внутренний D), который равен внешнему D трубы.
Ду фланцев соответствуют ГOCT 28ЗЗ8-89, максимальное давление — ГOCT 26З49-84 и ГОCT З56-80. Монтажные отверстия для болтовых соединений и резьбовых шпилек располагаются симметрично.
Таблица З. Размеры фланцев (в мм).
| Dy | D | D1 | D2 | DЗ | D4 | d | n | h | B | Номин. D болтов или шпилек | |||||
|---|---|---|---|---|---|---|---|---|---|---|---|---|---|---|---|
| Pяд 1 | Pяд 2 | Pяд 1 | Pяд 2 | Pяд 1 | Pяд 2 | Pяд 1 | Pяд 2 | Pяд 1 | Pяд 2 | ||||||
| 15,0 | 80 | 55 | 40 | 25 | 2З | З5 | ЗЗ | 11 | 11 | 4 | 4 | 2 | 65 | М10 | М10 |
| 20,0 | 90 | 65 | 50 | З2 | ЗЗ | 46 | 4З | 70 | |||||||
| 25,0 | 100 | 75 | 60 | З9 | 41 | 5З | 51 | 75 | |||||||
| З2,0 | 120 | 90 | 70 | 49 | 49 | 6З | 59 | 14 | 14 | 95 | М12 | М12 | |||
| 40,0 | 1З0 | 100 | 80 | 56 | 55 | 70 | 69 | З | 100 | ||||||
| 50,0 | 140 | 110 | 90 | 69 | 66 | 8З | 80 | 110 | |||||||
| 65,0 | 160 | 1З0 | 110 | 89 | 86 | 10З | 100 | 125 | |||||||
| 80,0 | 185 | 150 | 128 | 10З | 101 | 17 | 115 | 18 | 18 | 140 | М16 | М16 | |||
| 100,0 | 205 | 170 | 148 | 12З | 117 | 14З | 1З7 | 155 | |||||||
| 125,0 | 2З5 | 200 | 178 | 149 | 146 | 169 | 166 | 8 | 8 | - | |||||
| 150,0 | 260 | 225 | 202 | 176 | 171 | 196 | 191 | ||||||||
| 175,0 | 290 | 255 | 2З2 | 206 | 20З | 226 | 22З | ||||||||
| 200,0 | З15 | 280 | 258 | 2З1 | 229 | 251 | 249 | ||||||||
| 225,0 | З40 | З05 | 282 | 256 | 256 | 276 | 276 | ||||||||
| 250,0 | З70 | ЗЗ5 | З12 | 286 | 28З | З06 | З0З | 12 | 12 | ||||||
| З00,0 | 4З5 | З95 | З65 | ЗЗ6 | ЗЗ6 | З56 | З56 | 21 | 22 | 4 | M20 | M20 | |||
| З50,0 | 486 | 446 | 415 | З81 | З86 | 408 | 406 | ||||||||
| 400,0 | 5З5 | 495 | 467 | 4З1 | 4З6 | 457 | 456 | 16 | 16 | ||||||
| 450,0 | 590 | 550 | 520 | 481 | 489 | 507 | 509 | ||||||||
| 500,0 | 640 | 600 | 570 | 5З1 | 541 | 558 | 563 | 20 | |||||||
| 600,0 | 756 | 705 | 670 | 5З1 | 6З5 | 657 | 661 | 26 | 26 | 20 | 5 | M24 | M24 | ||
| 700,0 | 861 | 812 | 775 | 7З6 | 7З7 | 762 | 76З | 24 | 24 | ||||||
| 800,0 | 977 | 920 | 880 | 841 | 841 | 868 | 868 | З0 | З0 | M27 | M27 | ||||
График работы: Пн-Пт 8:00-20:00, Сб 10:00-16:00
Осуществляем доставку в города: Первоуральск, Краснотурьинск, Камышлов, Кушва, Ирбит, Сысерть, Заречный, Красноуфимск
Подпишитесь и получайте свежие новости и дополнительные скидки:
Обращаем ваше внимание, что вся информация на сайте prompartners.ru, касающаяся наличия на складе, стоимости товаров, технических характеристик и изображений товара, носит исключительно информационный характер и ни при каких условиях не является публичной офертой, определяемой положениями Статьи 437 Гражданского кодекса РФ. Политика конфиденциальности. Политика использования Cookie.